
Regelungstechnik und Legionellenschutz für Mehrfamilienhaus
Steuerungstechnische Optimierung senkt den Stromverbrauch und reduziert die Heizkosten um 25%
Regelungstechnik und Legionellenschutz für Mehrfamilienhaus
Steuerungstechnische Optimierung senkt den Stromverbrauch und reduziert die Heizkosten um 25%
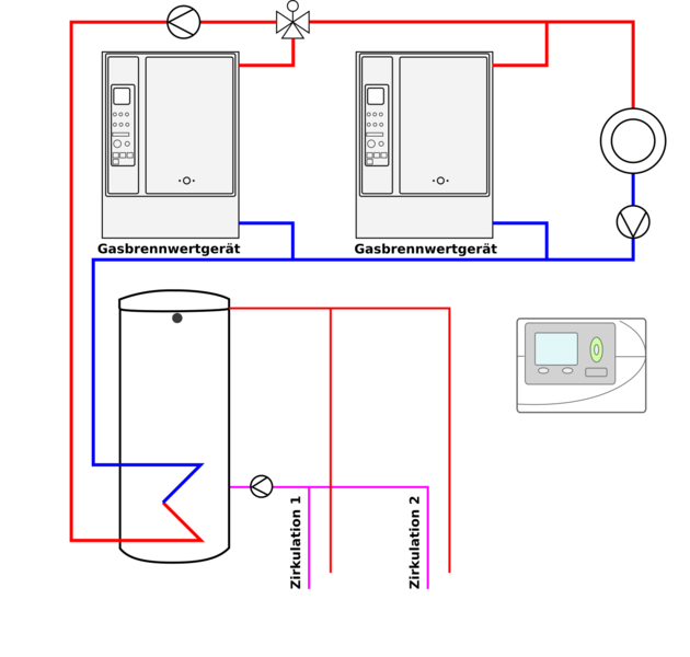
In der Vermietung sind geringe Nebenkosten ein Vorteil für Hauseigentümer und Mieter. Wärmeverluste im Heizraum, ungünstige Schaltzustände von Pumpen und falsche Laufbedingungen für den Heizkessel führen zu hohen Verbrauchskosten.
Eine Optimierung der Steuerungs- und Regelungstechnik verringert in vielen Wohngebäuden die Strom- und Heizkosten.
Hier sind die Erfahrungen an einem praktischen Beispiel.
In diesem Mehrfamilienhaus erfolgte die Optimierung einer seit 1997 bestehenden Gasheizungsanlage mit zwei Brennwertgeräten. Durch den Umbau der ungünstig verschalteten Gasgeräte und die Durchführung des hydraulischen Abgleichs* konnte die Rücklauftemperatur der Heizkessel gesenkt werden. Zudem wurden Temperatureinstellungen und Pumpenlaufzeiten angepasst. Die Maßnahmen führten zu einer besseren Ausnutzung des Brennwerteffekts und einer Heizkosteneinsparung von 25%.
Aufgrund der 3-Liter-Regel unterliegt dieses Mietshaus der Untersuchungspflicht hinsichtlich der Legionellenkonzentration im Warmwasser. Zur hygienischen Warmwasserbereitung wurde ein Steuerungsablauf zur sicheren thermischen Desinfektion aller Warmwasserleitungen und Zirkulationskomponenten erstellt. Mit diesem ist es möglich alle Zirkulationsstränge zuverlässig über 60°C aufzuheizen.
*Hydraulischer Abgleich ist die Vergleichmäßigung des Druckverlusts über alle Wärmeabnehmer mit dem Ziel eine einheitlich niedrige Rücklauftemperatur zu erhalten.
Vorteile
- Einsatz einer Regelung für das gesamte Heizungssystem
- Optimierung der Kesselkaskade hinsichtlich des Taktverhaltens
- Ausnutzen des Brennwerteffekts durch Schaltvorgaben von externer Steuerung
- Senken der Rücklauftemperatur für eine vollständige Kondensation
- Verringerung der Pumpenanzahl und der Pumpenlaufzeit
- Energieinsparung bei gleichbleibendem Nutzerverhalten
- zuverlässige Vorbeugung der Legionellenbildung